UP816 系列主变有载调压档位控制变送器
UP816 变压器有载调压控制变送器,适用于 1~9 档有载调压分接开关的配套使用。可直接替代 KTY-8F 型、 YZK-8 型等有载调压控制器,具有手动。调压、调压计数、档位变送输出等功能,可与自动化系统配套,以供无人值班变电站使用。

工作电源:AC220V 50HZ
额定功耗:<8VA
遥控输出触点容量:AC220V 5A
档位信号输出接点容量:AC220V 0.5A
工作温度:-25℃~40℃
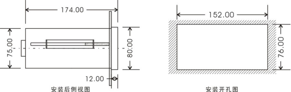
湿度:不大于 93%RH 或有凝露外形尺寸: 150×80×160mm
控制原理方框图

操作档位时,可利用面板的升降操作按钮来控制升降调压,亦可通过遥控来实现升降调压,调压后的档位位置经隔离转换后,变送输出给自动化系统。当调至最小、最大档时,限位开关将限止调压的继续执行。
a)控制屏上开 152×76mm 矩形孔,将产品从正面装入孔内,将固定支架从仪表后面两侧固定。
b)对于不同厂家、不同型号的有载开关,信号电缆的连接方式会有所不同,请对照相应的接线方式或仪表尾座接线(如附图与仪表尾座接线图有不同之处,以仪表尾座接线图为标准)。


















